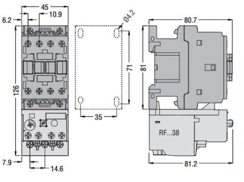
stycznik BF1810A110
Cena regularna:
Cena regularna:
towar niedostępny
Opis
stycznik 3 polowy
styk pomocniczy 1NO
18A
7,5kW
cewka 110VAC