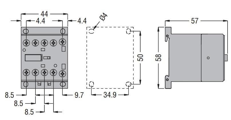
stycznik 11BG1210A024
Cena regularna:
Cena regularna:
towar niedostępny
Opis
stycznik miniaturowy 3 fazowy
styk pomocniczy 1NO
12A
5,7kW
cewka 24VAC