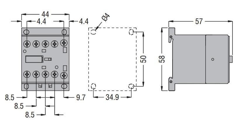
stycznik 11BG0910D024
Cena regularna:
Cena regularna:
towar niedostępny
Opis
stycznik miniaturowy 3 fazowy
styk pomocniczy 1NO
9A
4,0kW
cewka 24VDC