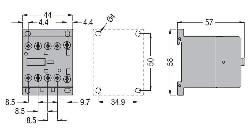
stycznik 11BG0610A024
Cena regularna:
Cena regularna:
towar niedostępny
Opis
stycznik miniaturowy 3 fazowy
styk pomocniczy 1NO
6A
2,2kW
cewka 24VAC