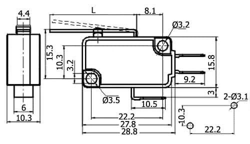
mikrowyłącznik WLK-7
Cena regularna:
Cena regularna:
towar niedostępny
Opis
mikrowyłącznik - bardzo długa blaszka
wyjście na fastony
1 styk przełączny migowy